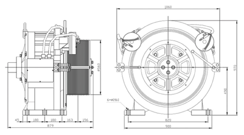
GEXCO TK150-1
Traction Machine
Traction Machine
A gearless, medium-low speed traction machine based on the original technology of
a synchronous motor that uses high-density windings in the stator and permanent magnets
in the rotor. It has quiet and smooth operation, precise position and speed control,
excellent durability, low-cost maintenance, and is environmentally friendly and energy efficient.
The motor is analyzed and designed using a Motor Simulation Program and manufactured.
a synchronous motor that uses high-density windings in the stator and permanent magnets
in the rotor. It has quiet and smooth operation, precise position and speed control,
excellent durability, low-cost maintenance, and is environmentally friendly and energy efficient.
The motor is analyzed and designed using a Motor Simulation Program and manufactured.
TK150-1
Usage
MR(Machine Room)
Rated Load
~ 3,000kg (2:1)
Elevator Speed
~ 4.0 m/s
Shaft Load
15,000kg
Brake
EC-5415SM-C DC90V / 40V
Weight
1,390kg
~ 1,000kg, 2.0m/s (1:1)